English
Español
Português
русский
Français
日本語
Deutsch
tiếng Việt
Italiano
Nederlands
ภาษาไทย
Polski
한국어
Svenska
magyar
Malay
বাংলা ভাষার
Dansk
Suomi
हिन्दी
Pilipino
Türkçe
Gaeilge
العربية
Indonesia
Norsk
تمل
český
ελληνικά
український
Javanese
فارسی
தமிழ்
తెలుగు
नेपाली
Burmese
български
ລາວ
Latine
Қазақша
Euskal
Azərbaycan
Slovenský jazyk
Македонски
Lietuvos
Eesti Keel
Română
Slovenski
मराठी
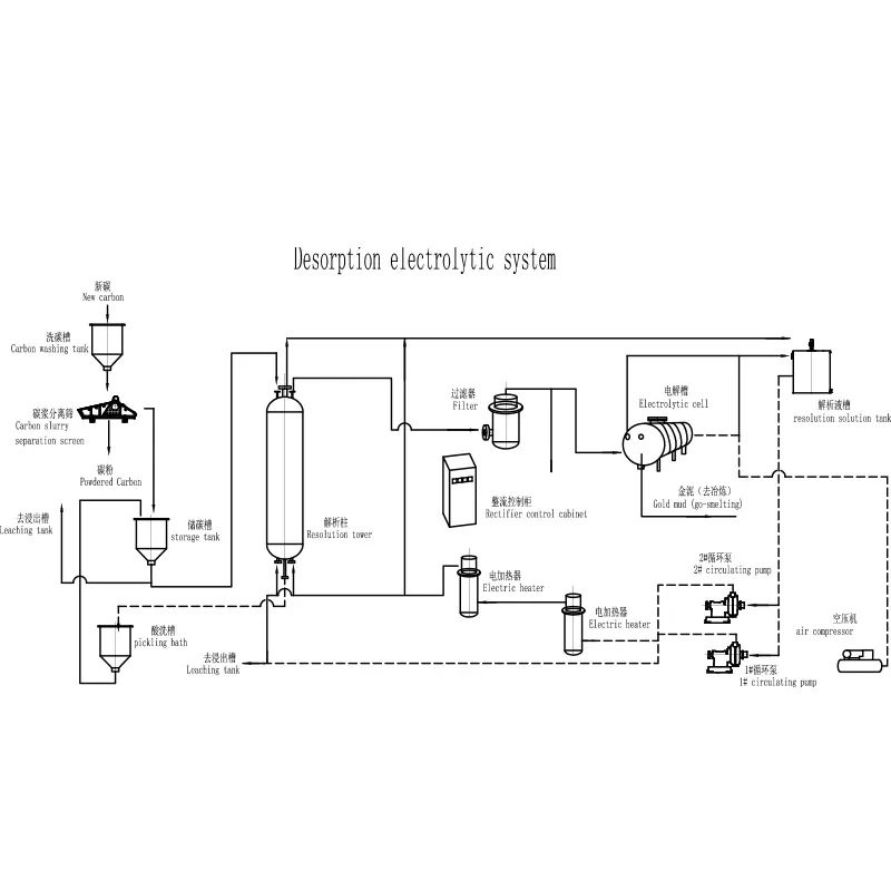
Srpski језик నిర్జలీకరణ విద్యుద్విశ్లేషణ వ్యవస్థ అనేది ఆధునిక బంగారు వెలికితీతలో, ముఖ్యంగా కార్బన్-ఇన్-పల్ప్ (CIP) మరియు కార్బన్-ఇన్-లీచ్ (CIL) ప్రక్రియలలో కీలకమైన సాంకేతికత. ఈ బ్లాగ్ సిస్టమ్ ఎలా పనిచేస్తుందో, దాని భాగాలు, ప్రయోజనాలు మరియు సమర్థవంతమైన గోల్డ్ రికవరీలో ఇది ఎందుకు ప్రమాణంగా మారిందో విశ్లేషిస్తుంది.......
ఇంకా చదవండివివిధ పరిశ్రమలలోని కణాల విభజన మరియు వర్గీకరణను పెంచే మినరల్ ప్రాసెసింగ్లో మునిగిపోయిన స్పైరల్ వర్గీకరణ ఒక ముఖ్యమైన భాగం. ఈ కథనంలో, మేము మునిగిపోయిన స్పైరల్ వర్గీకరణల యొక్క పనితీరు, ప్రయోజనాలు మరియు అనువర్తనాలను అలాగే EPIC యొక్క పరిష్కారాలు మైనింగ్ పరిశ్రమకు ఎలా దోహదపడతాయో విశ్లేషిస్తాము.
ఇంకా చదవండిలీచింగ్ ఆందోళన ట్యాంకులు మైనింగ్ పరిశ్రమలో ముఖ్యమైన పరికరాలు, ముఖ్యంగా లీచింగ్ ప్రక్రియల ద్వారా ఖనిజాల నుండి విలువైన లోహాలను వెలికితీసేందుకు. ఈ బ్లాగ్లో, మైనింగ్ పరిశ్రమలో ఉపయోగించే ప్రాముఖ్యత, పని సూత్రం మరియు వివిధ రకాల లీచింగ్ ఆందోళన ట్యాంకుల గురించి మేము విశ్లేషిస్తాము.
ఇంకా చదవండిసబ్మెర్జ్డ్ స్పైరల్ క్లాసిఫైయర్ అనేది ఖనిజ ప్రాసెసింగ్లో కీలకమైన పరికరం, ఇది గ్రావిటీ అవక్షేపం మరియు యాంత్రిక చలనం ద్వారా పరిమాణం మరియు సాంద్రత ఆధారంగా కణాలను వేరు చేయడానికి రూపొందించబడింది. మైనింగ్, ఇసుక వాషింగ్ మరియు పారిశ్రామిక వర్గీకరణ వ్యవస్థలలో విస్తృతంగా ఉపయోగించబడుతుంది, ఈ యంత్రం ఖచ్చితమైన......
ఇంకా చదవండిసర్క్యులర్ హై రేట్ ఇంక్లైన్డ్ ప్లేట్ థిక్కనర్ (CHRIPT) అనేది మైనింగ్ మరియు మినరల్ ప్రాసెసింగ్ పరిశ్రమలో ఉపయోగించే ఒక ముఖ్యమైన పరికరం. ద్రవపదార్థాల నుండి ఘనపదార్థాలను సమర్ధవంతంగా వేరుచేసే సామర్థ్యానికి పేరుగాంచిన ఈ చిక్కని మురుగునీటి శుద్ధి, మినరల్ ప్రాసెసింగ్ మరియు రసాయన పరిశ్రమలు వంటి పరిశ్రమల్లో క......
ఇంకా చదవండిసిలిండ్రికల్ ఫ్రోత్ ఫ్లోటేషన్ సెల్ దాని ఆప్టిమైజ్ చేసిన డిజైన్, మెరుగైన రికవరీ రేట్లు మరియు శక్తి-సమర్థవంతమైన పనితీరుతో ఖనిజ ప్రాసెసింగ్లో విప్లవాత్మక మార్పులు చేస్తోంది. ఈ సమగ్ర గైడ్ సాంప్రదాయ నమూనాల నుండి స్థూపాకార ఫ్లోటేషన్ కణాలు ఎలా విభిన్నంగా ఉన్నాయి, వాటి పని సూత్రాలు, ప్రయోజనాలు, అప్లికేషన్......
ఇంకా చదవండి