నిర్జలీకరణ విద్యుద్విశ్లేషణ వ్యవస్థ అంటే ఏమిటి మరియు ఆధునిక బంగారం వెలికితీతకు ఇది ఎందుకు అవసరం

దినిర్జలీకరణ విద్యుద్విశ్లేషణ వ్యవస్థఆధునిక బంగారు వెలికితీతలో, ముఖ్యంగా కార్బన్-ఇన్-పల్ప్ (CIP) మరియు కార్బన్-ఇన్-లీచ్ (CIL) ప్రక్రియలలో కీలకమైన సాంకేతికత. ఈ బ్లాగ్ సిస్టమ్ ఎలా పనిచేస్తుందో, దాని భాగాలు, ప్రయోజనాలు మరియు సమర్థవంతమైన గోల్డ్ రికవరీలో ఇది ఎందుకు ప్రమాణంగా మారిందో విశ్లేషిస్తుంది. కంపెనీలు ఎలా ఇష్టపడతాయో కూడా మేము హైలైట్ చేస్తాముEPICఈ రంగంలో కొత్త ఆవిష్కరణలు చేస్తున్నారు. చివరికి, ఈ వ్యవస్థ ఉత్పాదకతను ఎలా పెంచుతుంది, ఖర్చులను తగ్గిస్తుంది మరియు రికవరీ రేట్లను ఎలా మెరుగుపరుస్తుంది అనే దానిపై మీకు సమగ్ర అవగాహన ఉంటుంది.

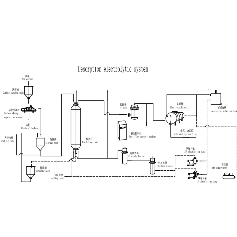
Desorption Electrolytic System

విషయ సూచిక


డీసార్ప్షన్ ఎలక్ట్రోలిటిక్ సిస్టమ్ అంటే ఏమిటి

A నిర్జలీకరణ విద్యుద్విశ్లేషణ వ్యవస్థయాక్టివేటెడ్ కార్బన్ నుండి బంగారాన్ని సేకరించేందుకు ఉపయోగించే అధునాతన బంగారు రికవరీ సిస్టమ్. లీచింగ్ ప్రక్రియలో కార్బన్ కణాలపై బంగారం శోషించబడే మైనింగ్ కార్యకలాపాలలో ఇది విస్తృతంగా వర్తించబడుతుంది.

  • నిర్జలీకరణం: అధిక-ఉష్ణోగ్రత మరియు అధిక-పీడన పరిష్కారాలను ఉపయోగించి కార్బన్ నుండి బంగారాన్ని తొలగిస్తుంది
  • విద్యుద్విశ్లేషణ: ద్రావణం నుండి క్యాథోడ్‌లపైకి బంగారాన్ని పునరుద్ధరిస్తుంది
  • క్లోజ్డ్-లూప్ సిస్టమ్: సామర్థ్యం మరియు కనిష్ట నష్టాన్ని నిర్ధారిస్తుంది

రికవరీ సామర్థ్యాన్ని మెరుగుపరచడానికి మరియు కార్యాచరణ ఖర్చులను తగ్గించడానికి ఈ వ్యవస్థ అవసరం, ఇది ఆధునిక బంగారు ప్రాసెసింగ్ ప్లాంట్‌లలో ప్రధాన భాగం.


డీసోర్ప్షన్ ఎలక్ట్రోలైటిక్ సిస్టమ్ ఎలా పని చేస్తుంది

పని సూత్రం aనిర్జలీకరణ విద్యుద్విశ్లేషణ వ్యవస్థరెండు ప్రధాన దశలను కలిగి ఉంటుంది:

  1. నిర్జలీకరణ దశ:గోల్డ్-లోడెడ్ కార్బన్‌ను వేడి ఆల్కలీన్ సైనైడ్ ద్రావణంతో చికిత్స చేసి, బంగారు అయాన్‌లను విడుదల చేస్తుంది.
  2. విద్యుద్విశ్లేషణ దశ:బంగారం అధికంగా ఉండే ద్రావణం ఒక విద్యుద్విశ్లేషణ కణం గుండా వెళుతుంది, ఇక్కడ బంగారం ఉక్కు ఉన్ని కాథోడ్‌లపైకి చేరుతుంది.

ప్రక్రియ అధిక సామర్థ్యాన్ని నిర్ధారిస్తుంది మరియు నిరంతర ఆపరేషన్ కోసం అనుమతిస్తుంది, అందుకే కంపెనీల నుండి సిస్టమ్‌లు ఇష్టపడతాయిEPICపారిశ్రామిక అనువర్తనాల్లో విస్తృతంగా స్వీకరించబడ్డాయి.


సిస్టమ్ యొక్క ప్రధాన భాగాలు

భాగం ఫంక్షన్
నిర్జలీకరణ కాలమ్ ఉత్తేజిత కార్బన్‌ను కలిగి ఉంటుంది మరియు బంగారు తొలగింపును సులభతరం చేస్తుంది
విద్యుద్విశ్లేషణ కణం విద్యుద్విశ్లేషణ ద్వారా బంగారాన్ని తిరిగి పొందుతుంది
ఉష్ణ వినిమాయకం అవసరమైన ఉష్ణోగ్రతను నిర్వహిస్తుంది
ఫిల్టర్ సిస్టమ్ పరిష్కారం నుండి మలినాలను తొలగిస్తుంది
నియంత్రణ వ్యవస్థ ఆపరేషన్ మరియు మానిటర్ పారామితులను ఆటోమేట్ చేస్తుంది

వ్యవస్థ సమర్ధవంతంగా మరియు స్థిరంగా పని చేస్తుందని నిర్ధారించడంలో ప్రతి భాగం కీలక పాత్ర పోషిస్తుంది.


సాంకేతిక ప్రయోజనాలు మరియు లక్షణాలు

  • అధిక బంగారం రికవరీ రేటు (98% వరకు)
  • తక్కువ శక్తి వినియోగం
  • తగ్గిన కార్మిక వ్యయాలకు ఆటోమేటెడ్ ఆపరేషన్
  • అంతరిక్ష సామర్థ్యం కోసం కాంపాక్ట్ డిజైన్
  • కనిష్ట ఉద్గారాలతో పర్యావరణ అనుకూలమైనది

తయారీదారులు ఇష్టపడతారుEPICఅభివృద్ధి చెందుతున్న పరిశ్రమ డిమాండ్లను తీర్చడానికి, మెరుగైన పనితీరు మరియు విశ్వసనీయతను నిర్ధారించడానికి ఈ వ్యవస్థలను నిరంతరం ఆప్టిమైజ్ చేయండి.


గోల్డ్ ప్రాసెసింగ్‌లో అప్లికేషన్‌లు

దినిర్జలీకరణ విద్యుద్విశ్లేషణ వ్యవస్థవిస్తృతంగా ఉపయోగించబడుతుంది:

  • గోల్డ్ మైనింగ్ ప్లాంట్లు
  • CIP (కార్బన్-ఇన్-పల్ప్) కార్యకలాపాలు
  • CIL (కార్బన్-ఇన్-లీచ్) ప్రక్రియలు
  • గోల్డ్ టైలింగ్స్ రికవరీ

దీని బహుముఖ ప్రజ్ఞ పెద్ద-స్థాయి పారిశ్రామిక మైనింగ్ మరియు సామర్థ్య మెరుగుదలలను కోరుకునే చిన్న కార్యకలాపాలకు అనుకూలంగా చేస్తుంది.


సాంప్రదాయ పద్ధతులతో పోలిక

ఫీచర్ నిర్జలీకరణ విద్యుద్విశ్లేషణ వ్యవస్థ సాంప్రదాయ పద్ధతులు
సమర్థత అధిక మధ్యస్తంగా
ఆటోమేషన్ పూర్తిగా ఆటోమేటెడ్ మాన్యువల్ లేదా సెమీ ఆటోమేటెడ్
ఖర్చు తక్కువ దీర్ఘకాలిక ఖర్చు అధిక కార్యాచరణ వ్యయం
పర్యావరణ ప్రభావం తక్కువ ఎక్కువ

స్పష్టంగా, ఆధునిక వ్యవస్థ సాంప్రదాయ బంగారు రికవరీ పద్ధతుల కంటే గణనీయమైన ప్రయోజనాలను అందిస్తుంది.


కొనుగోలుదారుల కోసం ఎంపిక గైడ్

ఎంచుకునేటప్పుడునిర్జలీకరణ విద్యుద్విశ్లేషణ వ్యవస్థ, కింది కారకాలను పరిగణించండి:

  • ప్రాసెసింగ్ సామర్థ్యం
  • ఆటోమేషన్ స్థాయి
  • శక్తి సామర్థ్యం
  • తయారీదారు కీర్తి (ఉదా., EPIC)
  • అమ్మకాల తర్వాత మద్దతు

సరైన సిస్టమ్‌ను ఎంచుకోవడం వలన దీర్ఘకాలిక కార్యాచరణ విజయాన్ని మరియు పెట్టుబడిపై గరిష్ట రాబడిని నిర్ధారిస్తుంది.


నిర్వహణ మరియు కార్యాచరణ చిట్కాలు

  • పైప్‌లైన్‌లు మరియు వాల్వ్‌లను క్రమం తప్పకుండా తనిఖీ చేయండి
  • ఉష్ణోగ్రత మరియు పీడన స్థాయిలను పర్యవేక్షించండి
  • ఎలక్ట్రోలైటిక్ కణాలను ఎప్పటికప్పుడు శుభ్రం చేయండి
  • అరిగిపోయిన భాగాలను వెంటనే భర్తీ చేయండి
  • తయారీదారు మార్గదర్శకాలను ఖచ్చితంగా అనుసరించండి

సరైన నిర్వహణ వ్యవస్థ యొక్క జీవితకాలాన్ని గణనీయంగా పొడిగిస్తుంది మరియు స్థిరమైన పనితీరును నిర్ధారిస్తుంది.


తరచుగా అడిగే ప్రశ్నలు

1. నిర్జలీకరణ విద్యుద్విశ్లేషణ వ్యవస్థ యొక్క ముఖ్య ఉద్దేశ్యం ఏమిటి?

యాక్టివేటెడ్ కార్బన్ నుండి బంగారాన్ని సమర్ధవంతంగా వెలికితీయడం మరియు తిరిగి పొందడం దీని ముఖ్య ఉద్దేశ్యం.

2. వ్యవస్థ ఎంత సమర్థవంతంగా ఉంది?

చాలా సిస్టమ్‌లు ఆపరేటింగ్ పరిస్థితులపై ఆధారపడి 95% కంటే ఎక్కువ గోల్డ్ రికవరీ రేటును సాధిస్తాయి.

3. వ్యవస్థ పర్యావరణ అనుకూలమా?

అవును, ఆధునిక వ్యవస్థలు ఉద్గారాలను తగ్గించడానికి మరియు రసాయన వ్యర్థాలను తగ్గించడానికి రూపొందించబడ్డాయి.

4. దీన్ని అనుకూలీకరించవచ్చా?

అవును, EPIC వంటి కంపెనీలు ప్రాసెసింగ్ అవసరాల ఆధారంగా అనుకూలీకరించదగిన పరిష్కారాలను అందిస్తాయి.

5. ఏ పరిశ్రమలు ఈ వ్యవస్థను ఉపయోగిస్తాయి?

ప్రధానంగా బంగారు మైనింగ్ పరిశ్రమ, కానీ విలువైన మెటల్ రికవరీ అప్లికేషన్లలో కూడా.


తీర్మానం

దినిర్జలీకరణ విద్యుద్విశ్లేషణ వ్యవస్థసాటిలేని సామర్థ్యం, ​​విశ్వసనీయత మరియు పర్యావరణ పనితీరును అందిస్తూ గోల్డ్ రికవరీ టెక్నాలజీలో పురోగతిని సూచిస్తుంది. వంటి పరిశ్రమ నాయకుల నుండి నిరంతర పురోగతితోEPIC, ఆధునిక మైనింగ్ కార్యకలాపాలకు ఈ వ్యవస్థ చాలా అవసరం అవుతోంది. మీరు మీ బంగారం వెలికితీత ప్రక్రియను ఆప్టిమైజ్ చేయాలని మరియు లాభదాయకతను మెరుగుపరచాలని చూస్తున్నట్లయితే, అధిక-నాణ్యత సిస్టమ్‌లో పెట్టుబడి పెట్టడం ఒక తెలివైన ఎంపిక.మమ్మల్ని సంప్రదించండిఈరోజు మేము మీ అవసరాలకు తగిన పరిష్కారాలను ఎలా అందించగలము అనే దాని గురించి మరింత తెలుసుకోవడానికి.

విచారణ పంపండి

X
మీకు మెరుగైన బ్రౌజింగ్ అనుభవాన్ని అందించడానికి, సైట్ ట్రాఫిక్‌ను విశ్లేషించడానికి మరియు కంటెంట్‌ను వ్యక్తిగతీకరించడానికి మేము కుక్కీలను ఉపయోగిస్తాము. ఈ సైట్‌ని ఉపయోగించడం ద్వారా, మీరు మా కుక్కీల వినియోగానికి అంగీకరిస్తున్నారు. గోప్యతా విధానం