సైనైడింగ్ పరికరాలు గోల్డ్ రికవరీ మరియు సైట్ భద్రతను ఎలా మెరుగుపరుస్తాయి?

సైనైడేషన్ "సమర్థవంతమైనది, కానీ ఒత్తిడితో కూడుకున్నది" అని మీరు ఎప్పుడైనా భావించినట్లయితే, మీరు దానిని ఊహించడం లేదు. కెమిస్ట్రీ పనిచేస్తుంది-ఇంకా రోజువారీ వాస్తవికత గందరగోళంగా ఉంటుంది: వేరియబుల్ ధాతువు, రియాజెంట్ ఓవర్‌పెండింగ్, కార్బన్ నష్టాలు, ఊహించని పనికిరాని సమయం మరియు సురక్షితంగా మరియు స్థిరంగా పనిచేయడానికి స్థిరమైన ఒత్తిడి. ఈ వ్యాసం దేనిని విడదీస్తుందిసైనైడింగ్ పరికరాలువాస్తవానికి మీ కోసం చేయాలి, మీరు కొనుగోలు చేసే ముందు ఏమి అడగాలి మరియు అత్యంత ఖరీదైన తప్పులను ఎలా నివారించాలి.


వియుక్త

ఆధునికసైనైడింగ్ పరికరాలుఅనేది కేవలం ట్యాంకుల సమితి మాత్రమే కాదు-ఇది లీచింగ్ పరిస్థితులను నియంత్రించడానికి, రికవరీని స్థిరీకరించడానికి, రియాజెంట్ వ్యర్థాలను తగ్గించడానికి మరియు సైనైడ్ నిర్వహణను ఊహాజనితంగా ఉంచడానికి రూపొందించబడిన అనుసంధానిత వ్యవస్థ. కొనుగోలుదారులు సాధారణంగా నాలుగు నొప్పి పాయింట్లతో పోరాడుతున్నారు: అస్థిరమైన రికవరీ, అధిక నిర్వహణ వ్యయం, బలహీనమైన భద్రతా నియంత్రణలు మరియు నిర్వహణ తలనొప్పి. క్రింద, మీరు సైనైడింగ్ మాడ్యూల్స్ (లీచింగ్, అధిశోషణం, నిర్జలీకరణం/ఎలక్ట్రోవినింగ్, డిటాక్స్ మరియు ఇన్‌స్ట్రుమెంటేషన్), ఎంపిక మ్యాట్రిక్స్, కమీషనింగ్ చిట్కాలు మరియు సరఫరాదారు సంభాషణల సమయంలో మీరు ఉపయోగించగల FAQ విభాగం యొక్క ఆచరణాత్మక, ప్లాంట్-ఫ్లోర్ వీక్షణను పొందుతారు.


విషయ సూచిక


ఒక చూపులో రూపురేఖలు

  • "నాకు సైనైడేషన్ కావాలి" అనే పదాన్ని పూర్తి, నియంత్రించదగిన పరికర స్కోప్‌లోకి అనువదించండి.
  • మీ నష్టాలను (రికవరీ, రియాజెంట్, కార్బన్ లేదా డౌన్‌టైమ్) ఏ మాడ్యూల్ నడిపిస్తుందో గుర్తించండి.
  • మీ ధాతువు రకం మరియు పరిమితుల కోసం పరిష్కారాలను సరిపోల్చడానికి సాధారణ మ్యాట్రిక్స్‌ని ఉపయోగించండి.
  • బలహీనమైన డిజైన్‌లను వేగంగా బహిర్గతం చేసే చెక్‌లిస్ట్‌తో సప్లయర్ మీటింగ్‌లలోకి వెళ్లండి.

రియల్ కొనుగోలుదారు నొప్పి పాయింట్లు

ప్రజలు షాపింగ్ చేసినప్పుడుసైనైడింగ్ పరికరాలు, వారు తరచుగా "నాకు ఎక్కువ కోలుకోవాలి" అని చెబుతారు. వారు సాధారణంగా చెప్పేది ఏమిటంటే: "ధాతువు మారినప్పుడు, ఆపరేటర్లు తిరిగినప్పుడు మరియు సైట్ రిమోట్‌లో ఉన్నప్పటికీ నాకు రికవరీ అవసరం." ఇక్కడ నొప్పి పాయింట్లు మళ్లీ మళ్లీ కనిపిస్తాయి:

  • రికవరీ స్వింగ్స్ధాతువు వైవిధ్యం, గ్రైండ్ సమస్యలు, ఆక్సిజన్ పరిమితులు లేదా పేలవమైన pH నియంత్రణ వలన సంభవించవచ్చు.
  • రీజెంట్ ఖర్చు క్రీప్సైనైడ్ లేదా సున్నం "సురక్షితంగా ఉండటానికి" అధిక మోతాదు నుండి
  • కార్బన్ సమస్యలుఫౌలింగ్, అట్రిషన్ నష్టం లేదా పేలవమైన శోషణ గతిశాస్త్రం వంటివి.
  • పనికిరాని సమయంపంప్/వాల్వ్ వైఫల్యాలు, రాపిడి స్లర్రీ దుస్తులు లేదా హార్డ్-టు-యాక్సెస్ లేఅవుట్‌ల నుండి.
  • భద్రతా ఒత్తిడిసైనైడ్ నిల్వ, మోతాదు మరియు అత్యవసర ప్రతిస్పందన సంసిద్ధత చుట్టూ.

మంచి పరికరాల రూపకల్పన అన్ని సంక్లిష్టతను తొలగించదు, కానీ అది ఊహలను తీసివేయాలి.


"సైనైడింగ్ ఎక్విప్‌మెంట్"లో ఏమి ఉంటుంది

Cyaniding Equipment

కనీసం,సైనైడింగ్ పరికరాలుఈ ఫంక్షన్లకు మద్దతిచ్చే వ్యవస్థగా అర్థం చేసుకోవాలి:

  • లీచింగ్: రద్దు కోసం సమయం, మిక్సింగ్ మరియు కెమిస్ట్రీ నియంత్రణను అందించండి.
  • బంగారం స్వాధీనం: యాక్టివేటెడ్ కార్బన్ (CIP/CIL) లేదా అవపాత మార్గాలపై శోషణం.
  • బంగారం రికవరీ: నిర్జలీకరణం మరియు ఎలక్ట్రోవిన్నింగ్ (లేదా ప్రత్యామ్నాయ రికవరీ సర్క్యూట్‌లు).
  • డిటాక్స్ మరియు టైలింగ్స్ హ్యాండ్లింగ్: అవశేష సైనైడ్‌ను ఆమోదయోగ్యమైన స్థాయికి తగ్గించండి.
  • వాయిద్యం మరియు నియంత్రణ: pH, కరిగిన ఆక్సిజన్, ప్రవాహం మరియు మోతాదును కొలవండి మరియు స్థిరీకరించండి.

సరఫరాదారు "ట్యాంకులు" గురించి మాత్రమే మాట్లాడినట్లయితే, మొత్తం ప్రవాహాన్ని మరియు నియంత్రణ పాయింట్లను నిర్వచించడానికి వారిని నెట్టండి. ప్రయోగశాల పరిస్థితులలో సైనైడేషన్ క్షమిస్తుంది; అస్తవ్యస్తమైన క్షేత్ర పరిస్థితులలో అది క్షమించదు.


ధాతువు నుండి డోరే వరకు ఒక క్లియర్ ప్రాసెస్ మ్యాప్

ప్రతి మొక్క భిన్నంగా ఉన్నప్పటికీ, చాలా సైనైడేషన్ మార్గాలు గుర్తించదగిన వెన్నెముకను అనుసరిస్తాయి. ప్రతిపాదిత ప్యాకేజీ పూర్తయిందో లేదో సరిచూసుకోవడానికి ఈ మ్యాప్‌ని ఉపయోగించండి:

వేదిక ఇది ఏమి సాధించాలి సాధారణ "దాచిన" ప్రమాదం
ముందస్తు చికిత్స (అవసరమైతే) బంగారాన్ని అందుబాటులోకి తెచ్చి, సైనైడ్ వినియోగాన్ని నివారించండి ప్రీగ్-రాబింగ్, అధిక రాగి లేదా రియాక్టివ్ సల్ఫైడ్‌లను విస్మరించడం
లీచింగ్ స్థిరమైన మిక్సింగ్, నియంత్రిత pH మరియు తగినంత ఆక్సిజన్ బలహీనమైన లైమ్ సిస్టమ్ నుండి డెడ్ జోన్లు, పేలవమైన ఆక్సిజన్ బదిలీ, అనియత pH
అధిశోషణం (CIL/CIP) కరిగిన బంగారాన్ని సమర్ధవంతంగా క్యాప్చర్ చేయండి తప్పు కార్బన్ పరిమాణం/బదిలీ పద్ధతి; కార్బన్ నష్టాలు
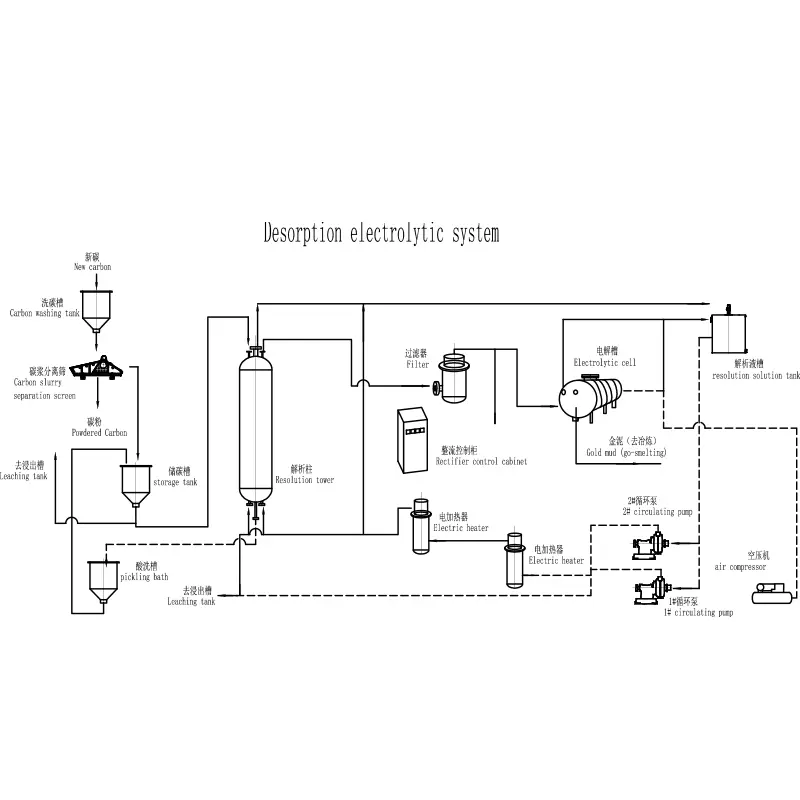
ఎల్యూషన్ / డీసోర్ప్షన్ విశ్వసనీయంగా కార్బన్ నుండి బంగారాన్ని తీసివేయండి అస్థిరమైన వేడి/ప్రవాహం తక్కువ స్ట్రిప్పింగ్ సామర్థ్యానికి దారితీస్తుంది
ఎలెక్ట్రోవిన్నింగ్ / స్మెల్టింగ్ డోరేను పునరుద్ధరించండి మరియు ఉత్పత్తి చేయండి తక్కువ పరిమాణంలో ఉన్న కణాలు, పేలవమైన ఎలక్ట్రోలైట్ నిర్వహణ, బురద నిర్వహణ సమస్యలు
నిర్విషీకరణ ఉత్సర్గ/టెయిలింగ్‌కు ముందు అవశేష సైనైడ్‌ను తగ్గించండి డిజైన్ నిర్గమాంశ వైవిధ్యం లేదా టైలింగ్ కెమిస్ట్రీతో సరిపోలడం లేదు

కీ మాడ్యూల్స్ మరియు ఏమి తనిఖీ చేయాలి

1) ట్యాంకులు లీచింగ్ మరియు ఆందోళన

  • మిక్సింగ్ డిజైన్ మీ స్లర్రీ సాంద్రత మరియు రాపిడికి సరిపోతుందా?
  • ధాతువు వైవిధ్యం కింద సిస్టమ్ స్థిరమైన pHని నిర్వహించగలదా?
  • మీ సైట్‌లో ఆక్సిజన్ చేరిక ఆచరణాత్మకంగా ఉందా (మరియు డిజైన్‌లో ఆక్సిజన్ బదిలీ పరిగణించబడుతుందా)?
  • లేఅవుట్ ఇంపెల్లర్లు, లైనర్లు మరియు బేరింగ్‌లను సులభంగా తనిఖీ చేయడానికి అనుమతిస్తుందా?

2) కార్బన్ శోషణం మరియు బదిలీ

  • కార్బన్ క్యారీఓవర్‌ను నిరోధించడానికి ఇంటర్‌స్టేజ్ స్క్రీన్‌లు తగినంత బలంగా ఉన్నాయా?
  • విచ్ఛిన్నం మరియు నష్టాన్ని తగ్గించడానికి కార్బన్ బదిలీ ఇంజనీరింగ్ చేయబడిందా?
  • డిజైన్ క్లీనింగ్ మరియు కార్బన్ ఇన్వెంటరీ నియంత్రణకు అనుకూలంగా ఉందా?

3) నిర్జలీకరణం మరియు ఎలక్ట్రోవిన్నింగ్

  • ఎల్యూషన్ సర్క్యూట్ మీ కార్బన్ లోడింగ్ అంచనాలకు సరిపోతుందా?
  • తాపన మరియు ప్రవాహ నియంత్రణలు స్థిరంగా ఉన్నాయా ("ఆపరేటర్-ఆధారిత" కాదు)?
  • బురద నిర్వహణ ప్రణాళిక చేయబడిందా, మెరుగుపరచబడలేదా?

4) సైనైడ్ మోతాదు మరియు కొలత

  • డోసింగ్ ఇంటర్‌లాక్‌లతో ఆటోమేట్ చేయబడిందా లేదా పూర్తిగా మాన్యువల్‌గా ఉందా?
  • నిజమైన గని వాతావరణంలో క్రమాంకనం మరియు సెన్సార్ నిర్వహణ కోసం ప్రణాళిక ఏమిటి?
  • నమూనా పాయింట్లు సురక్షితమైనవి మరియు మంచి స్థానంలో ఉన్నాయా లేదా తర్వాత ఆలోచనా?

5) డిటాక్స్

  • డిటాక్స్ డిజైన్ మీ ఉత్సర్గ లక్ష్యాలు మరియు టైలింగ్ కెమిస్ట్రీపై ఆధారపడి ఉందా?
  • ఇది షట్‌డౌన్‌ను బలవంతం చేయకుండా స్వల్పకాలిక స్పైక్‌లను నిర్వహించగలదా?

ఆచరణాత్మక సూచన:కాగితంపై చౌకగా కనిపించే ప్రతిపాదన తరచుగా కార్యకలాపాలకు ఖర్చును పెంచుతుంది-అదనపు సైనైడ్, అదనపు సున్నం, అదనపు నిర్వహణ కార్మికులు మరియు మరింత "వీరోచిత" ఆపరేటర్ ప్రవర్తన. బిల్లు తర్వాత వస్తుంది.


సైజింగ్ మరియు స్పెసిఫికేషన్ బేసిక్స్

మీ బడ్జెట్‌ను రక్షించే పరిమాణ ప్రశ్నలను అడగడానికి మీరు మెటలర్జిస్ట్ కానవసరం లేదు. కోసంసైనైడింగ్ పరికరాలు, కోర్ సైజింగ్ లాజిక్ నిర్గమాంశ, నివాస సమయం మరియు సామూహిక బదిలీ చుట్టూ తిరుగుతుంది. ఏదైనా తుది డిజైన్‌ను ఆమోదించే ముందు, ఈ ఇన్‌పుట్‌లు స్పష్టంగా చెప్పబడిందని నిర్ధారించుకోండి:

  • డిజైన్ నిర్గమాంశ(సగటు మరియు గరిష్టం, ప్లస్ ఊహించిన కాలానుగుణ వైవిధ్యం).
  • టార్గెట్ గ్రైండ్ పరిమాణంమరియు మిల్లు ముతకగా మారితే ఏమి జరుగుతుంది.
  • లీచ్ నివాస సమయంమరియు అది పరీక్షలు లేదా అంచనాల ఆధారంగా ఉందా.
  • pH మరియు ఆల్కలీనిటీ ప్లాన్(సున్నం తయారీ మరియు మోతాదు స్థిరత్వంతో సహా).
  • ఆక్సిజన్ వ్యూహం(గాలి, ఆక్సిజన్ లేదా ఏదీ లేదు) మరియు గతిశాస్త్రంపై ఆశించిన ప్రభావం.
  • కార్బన్ ఇన్వెంటరీ(ఎంత కార్బన్, అది ఎక్కడ కూర్చుంటుంది మరియు అది ఎలా పర్యవేక్షించబడుతుంది).

ఒక సరఫరాదారు వీటిని సాదా భాషలో వివరించలేకపోతే, దానిని ప్రమాద సంకేతంగా పరిగణించండి-సాంకేతికత కాదు.


భద్రత మరియు సైనైడ్ నియంత్రణ వాస్తవంగా కొనసాగుతుంది

భద్రత అనేది గోడపై పోస్టర్ కాదు. సైనైడేషన్‌తో, ఇది భౌతిక రూపకల్పన మరియు సాధారణ నియంత్రణలో నిర్మించబడింది. బలమైనసైనైడింగ్ పరికరాలుప్యాకేజీలు సాధారణంగా వీటిని కలిగి ఉంటాయి:

  • నిల్వ మరియు బదిలీని కలిగి ఉందిస్పష్టమైన స్పిల్ పాత్‌లు మరియు బండింగ్ లాజిక్‌తో.
  • ఇంటర్‌లాక్డ్ డోసింగ్కాబట్టి కీలకమైన షరతులు నెరవేరనప్పుడు సైనైడ్ జోడించబడదు.
  • నమూనా రూపకల్పనను క్లియర్ చేయండిఇది సాధారణ తనిఖీల సమయంలో ఎక్స్పోజర్ ప్రమాదాన్ని తగ్గిస్తుంది.
  • అత్యవసర సంసిద్ధతఆపరేటింగ్ ప్రొసీజర్ సెట్‌లో భాగంగా, యాడ్-ఆన్ డాక్యుమెంట్ కాదు.

కొనుగోలుదారు దృక్కోణం నుండి, మీ పని చాలా సులభం: వ్యక్తులు సిస్టమ్‌తో ఎలా పరస్పర చర్య చేస్తారో ఖచ్చితంగా చూపించడానికి ప్రతిపాదనను బలవంతం చేయండి. వారు ఎక్కడ నిలబడతారు? వారు ఏమి తాకారు? వారు పరికరాలను ఎలా వేరు చేస్తారు? తెల్లవారుజామున 2 గంటలకు పంప్ సీల్ వైఫల్యానికి వారు ఎలా స్పందిస్తారు?


నిర్వహణ ఖర్చులు నిజంగా ఎక్కడ నుండి వస్తాయి

ఔన్స్‌కి మీ ధర పైకి కూరుకుపోతుంటే, ఇది సాధారణంగా ఒక నాటకీయ వైఫల్యం కాదు-ఇది సిస్టమ్‌లో చిన్న లీక్‌లు సమ్మేళనం చేస్తుంది. సైనైడేషన్‌లో, అత్యంత సాధారణ వ్యయ డ్రైవర్లు:

  • సైనైడ్ వినియోగంరియాక్టివ్ ఖనిజాలు, అధిక మోతాదు అలవాట్లు లేదా పేద నియంత్రణ లూప్‌ల ద్వారా నడపబడతాయి.
  • సున్నం వినియోగంpH నియంత్రణ అస్థిరంగా ఉన్నప్పుడు లేదా స్లర్రీ కెమిస్ట్రీ బాగా అర్థం కాలేదు.
  • కార్బన్ నష్టంఅట్రిషన్, స్క్రీన్ సమస్యలు లేదా పేలవమైన బదిలీ డిజైన్ ద్వారా.
  • శక్తి మరియు నిర్వహణమితిమీరిన ఆందోళన, తక్కువ-రూపొందించిన దుస్తులు భాగాలు మరియు హార్డ్-టు-సర్వీస్ లేఅవుట్‌ల నుండి.
లక్షణం బహుశా మూల కారణం సహాయపడే సామగ్రి ఫీచర్
ధాతువు మారినప్పుడు రికవరీ పడిపోతుంది pH/DO అస్థిరత; పేద మిక్సింగ్; తగినంత నివాస సమయం బలమైన ఆందోళన, మెరుగైన నియంత్రణ సాధనం, సౌకర్యవంతమైన ట్యాంక్ సామర్థ్యం
సైనైడ్ ఖర్చు పెరుగుతూనే ఉంది అధిక మోతాదు; అధిక సైనైడ్-వినియోగించే ఖనిజాలు; పేద కొలత నియంత్రిత మోతాదు, నమ్మదగిన నమూనా పాయింట్లు, తెలివైన ఇంటర్‌లాక్‌లు
కార్బన్ ఇన్వెంటరీ "నిగూఢంగా" తగ్గిపోతుంది స్క్రీన్ వైఫల్యాలు; బదిలీ నష్టాలు; క్షీణత మన్నికైన ఇంటర్‌స్టేజ్ స్క్రీన్‌లు, సున్నితమైన బదిలీ డిజైన్, స్పష్టమైన కార్బన్ అకౌంటింగ్
తరచుగా షట్డౌన్లు వేర్ భాగాలు, పంప్ సీలింగ్, యాక్సెస్ సమస్యలు వేర్-రెసిస్టెంట్ మెటీరియల్స్, మెయింటెనెన్స్ యాక్సెస్, స్టాండర్డ్ స్పేర్స్

విశ్వసనీయత మరియు నిర్వహణ రూపకల్పన

Cyaniding Equipment

సైనైడేషన్ సర్క్యూట్ "పూర్తి"గా కనిపిస్తుంది మరియు నిర్వహణ రూపకల్పన చేయకుంటే ఇప్పటికీ నమ్మదగనిదిగా ఉంటుంది. సరఫరాదారుని ఎలా సంప్రదించాలో అడగండి:

  • మెటీరియల్స్ ఎంపికరాపిడి స్లర్రీ జోన్‌లు మరియు సైనైడ్-కాంటాక్ట్ జోన్‌ల కోసం.
  • యాక్సెస్స్క్రీన్‌లు, ఇంపెల్లర్లు, లైనర్లు, పంపులు మరియు ఇన్‌స్ట్రుమెంటేషన్‌కు.
  • విడిభాగాల వ్యూహంఅది మీ సైట్ రియాలిటీకి సరిపోతుంది (లీడ్ టైమ్స్, లాజిస్టిక్స్, స్టాకింగ్).
  • ప్రమాణీకరణప్రత్యేకమైన దుస్తులు ధరించే వస్తువుల సంఖ్యను తగ్గించడానికి.

రిమోట్ కార్యకలాపాలలో, "నిర్వహించడం సులభం" అనేది "కాగితంపై కొంచెం ఎక్కువ సమర్థవంతమైనది" కంటే ఎక్కువ విలువైనది.


మీరు అడగవలసిన సరఫరాదారు ప్రశ్నలు

సమావేశాలలో ఈ చెక్‌లిస్ట్‌ని ఉపయోగించండి. ఇది సంభాషణను చర్చగా మార్చకుండా-బలహీనమైన ప్రతిపాదనలను త్వరగా రూపొందించడానికి రూపొందించబడింది.

  • ఏ ధాతువు ప్రమాదాలు దూరంగా భావించబడతాయి మరియు దేని కోసం చురుకుగా రూపొందించబడ్డాయి?
  • నివాస సమయం, pH పరిధి మరియు ఆక్సిజన్ వ్యూహం కోసం డిజైన్ ఇన్‌పుట్‌లు ఏమిటి?
  • సైనైడ్ మోతాదు ఎలా నియంత్రించబడుతుంది మరియు సెన్సార్ వైఫల్యం సమయంలో ఏమి జరుగుతుంది?
  • సాధారణ కార్యకలాపాలలో కార్బన్ నష్టం ఎలా నిరోధించబడుతుంది మరియు కొలుస్తారు?
  • స్క్రీన్‌లు, ఆందోళనకారులు మరియు పంపుల నిర్వహణ యాక్సెస్ ప్లాన్ ఏమిటి?
  • ప్రతి షిఫ్ట్‌కి సిఫార్సు చేయబడిన ఆపరేటర్ తనిఖీలు ఏమిటి మరియు అవి ఎలా సురక్షితంగా ఉంటాయి?
  • ఏ కమీషనింగ్ సపోర్ట్ చేర్చబడింది మరియు ఏ ఆపరేటర్ శిక్షణ అందించబడుతుంది?

మీరు విక్రేతలను మూల్యాంకనం చేస్తుంటే, పూర్తి సైనైడేషన్ ప్యాకేజీని సరఫరా చేయగల మరియు ఇంటిగ్రేషన్ వివరాలకు మద్దతు ఇవ్వగల తయారీదారుతో మాట్లాడటానికి ఇది సహాయపడుతుంది. ఉదాహరణకు, Qingdao EPIC మైనింగ్ మెషినరీ కో., లిమిటెడ్.మైనింగ్ ప్రాసెసింగ్ ఎక్విప్‌మెంట్ సొల్యూషన్‌లను అందిస్తుంది, ఇక్కడ సైనైడేషన్ ప్యాకేజీలను సిస్టమ్‌లుగా పరిగణిస్తారు-లీచింగ్, అధిశోషణం, పునరుద్ధరణ మరియు నియంత్రణ-ఒక డిస్‌కనెక్ట్ చేయబడిన ట్యాంకుల కంటే.


తరచుగా అడిగే ప్రశ్నలు

సైనైడింగ్ సామగ్రిని ప్రాథమికంగా కాకుండా "ఆధునికమైనది"గా మార్చేది ఏమిటి?

ఆధునిక డిజైన్‌లు కంట్రోలబిలిటీ మరియు రిపీటబిలిటీపై దృష్టి సారించాయి: స్థిరమైన మోతాదు, నమ్మదగిన కొలత, సురక్షితమైన నమూనా, బలమైన దుస్తులు రక్షణ మరియు ఆపరేటర్ మెరుగుదలని తగ్గించే లేఅవుట్‌లు. తక్కువ రియాజెంట్ వ్యర్థాలు మరియు తక్కువ షట్‌డౌన్‌లతో స్థిరమైన పునరుద్ధరణ లక్ష్యం.

సైనైడింగ్ ఎక్విప్‌మెంట్ తక్కువ-గ్రేడ్ ఖనిజాన్ని ఆర్థికంగా నిర్వహించగలదా?

ఇది చేయవచ్చు, కానీ సర్క్యూట్ మీ గతిశాస్త్రం మరియు వినియోగ ప్రొఫైల్ చుట్టూ ఇంజనీరింగ్ చేయబడినప్పుడు మాత్రమే. తక్కువ-గ్రేడ్ కార్యకలాపాలు అధిక వ్యయం మరియు పనికిరాని సమయానికి సున్నితంగా ఉంటాయి, కాబట్టి నియంత్రణ వ్యవస్థలు, దుస్తులు రూపకల్పన మరియు కార్బన్ నిర్వహణ చాలా ముఖ్యమైనవి.

నాకు CIP లేదా CIL అవసరమైతే నాకు ఎలా తెలుస్తుంది?

ఎంపిక సాధారణంగా లీచ్ గతిశాస్త్రంపై ఆధారపడి ఉంటుంది మరియు ఎంత త్వరగా కరిగిన బంగారాన్ని స్వాధీనం చేసుకోవాలి. బంగారం త్వరగా కరిగిపోయి, వెంటనే పట్టుకోవాలనుకుంటే, CIL ఆకర్షణీయంగా ఉంటుంది. శోషణకు ముందు వేరు చేయడం వల్ల లీచింగ్ ప్రయోజనం పొందినట్లయితే, CIP బాగా సరిపోతుంది. మెటలర్జికల్ పరీక్షలు మరియు ఆచరణాత్మక సైట్ పరిమితులు నిర్ణయాన్ని నడిపించాలి.

సైనైడ్ వినియోగం కొన్నిసార్లు అకస్మాత్తుగా ఎందుకు పెరుగుతుంది?

సాధారణ కారణాలలో ధాతువు ఖనిజ మార్పులు, పేలవమైన pH నియంత్రణ, ఊహించని ఆక్సిజన్ పరిమితి లేదా ప్రక్రియ నీటిలో కలుషితం. మంచి నియంత్రణ ప్రణాళిక మరియు నమ్మదగిన నమూనా పాయింట్లు ఈ స్పైక్‌లను సులువుగా నిర్ధారించడం మరియు త్వరగా సరిదిద్దడం చేస్తాయి.

నా సైట్ రిమోట్‌గా మరియు తక్కువ సిబ్బందితో ఉంటే నేను దేనికి ప్రాధాన్యత ఇవ్వాలి?

మాన్యువల్ హ్యాండ్లింగ్‌ను తగ్గించే మెయింటెనబిలిటీ మరియు ఆటోమేషన్‌కు ప్రాధాన్యత ఇవ్వండి: మన్నికైన స్క్రీన్‌లు, యాక్సెస్ చేయగల ఎక్విప్‌మెంట్ లేఅవుట్, స్టాండర్డ్ స్పేర్స్, ఇంటర్‌లాక్డ్ డోసింగ్ మరియు "ఒక నిపుణుడు ఆపరేటర్"పై ఆధారపడని స్పష్టమైన ఆపరేటింగ్ రొటీన్‌లు.


వ్రాప్-అప్

కొనడంసైనైడింగ్ పరికరాలుఅంతిమంగా అనిశ్చితిని తగ్గించడం. కెమిస్ట్రీ నిరూపించబడవచ్చు, కానీ మీ లాభదాయకత స్థిరమైన నియంత్రణ, ఆచరణాత్మక నిర్వహణ మరియు నిజమైన వ్యక్తులతో నిజమైన మార్పులపై పనిచేసే భద్రతపై ఆధారపడి ఉంటుంది. మీరు కొత్త ప్లాంట్‌ని ప్లాన్ చేస్తుంటే లేదా ఇప్పటికే ఉన్న సర్క్యూట్‌ను అప్‌గ్రేడ్ చేస్తుంటే, మీ ధాతువు వాస్తవాలు, నిర్గమాంశ లక్ష్యాలు మరియు సైట్ పరిమితులను టేబుల్‌పైకి తీసుకురాండి-మరియు సైనైడేషన్‌ను పూర్తి, నియంత్రించదగిన సిస్టమ్‌గా పరిగణించే ప్రతిపాదనపై పట్టుబట్టండి.

మీ సైనైడేషన్ ప్లాన్‌ను విశ్వసనీయమైన, ఖర్చుతో కూడిన స్థిరమైన ఆపరేషన్‌గా మార్చడానికి సిద్ధంగా ఉన్నారా?మీ ధాతువు రకం, లక్ష్య సామర్థ్యం మరియు సైట్ పరిస్థితులను భాగస్వామ్యం చేయండి మరియుమమ్మల్ని సంప్రదించండిమీ ప్లాంట్ మరియు మీ ఆపరేటర్లకు సరిపోయే ఆచరణాత్మక పరికరాల కాన్ఫిగరేషన్ గురించి చర్చించడానికి.

విచారణ పంపండి

X
మీకు మెరుగైన బ్రౌజింగ్ అనుభవాన్ని అందించడానికి, సైట్ ట్రాఫిక్‌ను విశ్లేషించడానికి మరియు కంటెంట్‌ను వ్యక్తిగతీకరించడానికి మేము కుక్కీలను ఉపయోగిస్తాము. ఈ సైట్‌ని ఉపయోగించడం ద్వారా, మీరు మా కుక్కీల వినియోగానికి అంగీకరిస్తున్నారు. గోప్యతా విధానం